froos
Gen2 ABS problem
Hi all, I really hope someone can help here.
My cars ABS light started coming on intermittently about 2 months ago, at first the light would come on when I start the car and stay on, but next time I start the light will just come on during the self-test and then go out. After doing this for about 2 weeks the light just stayed on permanently. All of this started after I replaced my battery, I first tried charging a couple of times, to no avail, while doing this I had one incident where the battery started bubbling and some acid spilled into the engine bay.


The current symptoms are as follow:
The ABS light is on and ABS does not work.
The error codes given by the ABS system are the following:

Missing Attachment

This does not make sense, all of these sensors could not have suddenly failed at the same time. I initially suspected that it might be the free wheel engage switch because the car battles to go out of 4H or 4HLc to 2H. I have now replaced the switch with a new one, but this did not make any difference.
I then decided to start with the diagnostics in one of the manuals that I downloaded, starting with testing the 4WD ECU, because I still suspect it is some malfunction on the 4WD system that is causing this. I have read that the ABS and 4WD system is linked. I unplugged the 4WD ECU and started the test as described in the below picture from the manual.
manual 4WD test.JPG
The results is however totally confusing, see below
4WD ECU.JPG
I really have no idea what could cause this. It can't be one of the switches on the transfer case, because that would result in one of the tests failing not all, and I doubt that all will fail at the same time, same with the ABS sensors. The fact that I tested on the connector also rule the possibility of ECU failure out. All I can think of is a short, but I can't see any damaged wires.
User avatar
Site Admin
Re: Gen2 ABS problem
I would hazard a guess that you might have an issue with the ABS pump, and not the sensors
Simon Bloomer
froos
Re: Gen2 ABS problem
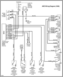
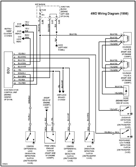
I found this wiring diagram, maybe it can help someone to shed some light on this for me.
4dw wiring diagram
4dw wiring diagram
froos
Re: Gen2 ABS problem
Some feedback. It seems that the manual that I used had a mistake :o , it stated that the connector must be removed from the AWD ECU, which was incorrect. The tests must be done with the connector connected to the ECU (as stated in 4epikanini's post on the super select lights). I redid the tests and found that my earth wire (pin8) had a short. Fixed this and then found another short on pin7 which is the central differential lock operation detection switch. When I measure the voltage between pin7 & 8, I get 0.1V with the ignition off, which should not be because both are earth connections. When I tested the ECU with the connector connected to the ECU, I also got readings of between 0.4V and 0.7 volts on the tests where I should get 0V. I am not sure how sensitive the ECU is for a short like this, but I suspect that having power on an earth even if only 0.1V could mess things up. I will fix the short on the central differential lock operation detection switch tonight and see if that solves it.

Next would then to start testing the ABS ECU, and then the Center diff ECU and then the rear diff ECU, and then the relay, the sensors, the... There are sooo many components on the ABS system, and I hate working on the electrical stuff. :x
Post Reply